


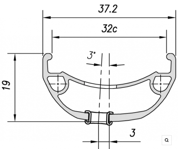
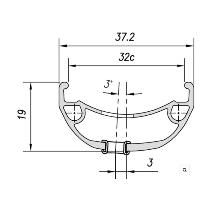
Ráfik Mach1 TRUCKY 32Ráfik Mach1 Trucky 32 je navrhnutý pre náročných jazdcov, ktorí požadujú odolnosť, spoľahlivosť a moderné technológie pre agresívnu jazdu v teréne. Ideálny pre enduro, all-mountain a e-biky, Trucky 32 ponúka široký profil vhodný na bezdušové systémy a širšie plášte.Kľúčové vlastnosti:Materiál: Hliník 6063T6Výška ráfika: 19 mmVnútorná šírka: 32 mmTechnológia: ETR (Easy Tubeless Ready)Farba: Čierna anodizovanáTyp bŕzd: Len pre kotúčové brzdyVďaka špeciálnemu profilu pripravenému na tubeless systém znižuje riziko defektov a zvyšuje efektivitu jazdy. Šírka ráfika je optimalizovaná pre plášte s rozmermi od 58 do 71 mm, čo zabezpečuje výbornú stabilitu a priľnavosť v náročných podmienkach.Dvojstenná konštrukcia z pevného hliníka zabezpečuje odolnosť pri zachovaní rozumnej hmotnosti. Trucky 32 je skvelou voľbou pre jazdcov, ktorí chcú spoľahlivý ráfik pripravený zvládnuť aj tie najťažšie traily.Veľkosť diery: FV